Home / Submittals
Access Doors with Flanges
Click here to view or download
Features
- 24 guage flanged frame and double panel galvanized steel door, guage depends on size.
- Notched knock - over
- High density, closed cell gasketing bonds, the door to the frame
- Model PAA & PAB are complete with two (2) camlocks four (4) may be required on large size doors.
- Safety retaining chain is available as an option.
- Doors are complete with continous piano type hinge on one side and one (1) or two(2) camlocks on the opposite side for sizes upto 14".
- Over 14" same continous hinge on one side, and two (2) camlocks on the other.
- Meets SMACNA specifications
- Manufacture any size upto 44x44
- Door c/w 1" (25mm) or 2" (50mm) insulation
- Contact factory for pricing
Oval Access Doors
Sq. and Rect. Access Door
Aluminium Backdraft Dampers
Heavy Duty Backdraft Dampers
Square and Rectangular
Thermal Blanket
Extruded Aluminum, Low Leakage
CD300 & CD300S
Manual Balancing Dampers
Steel Manual Damper
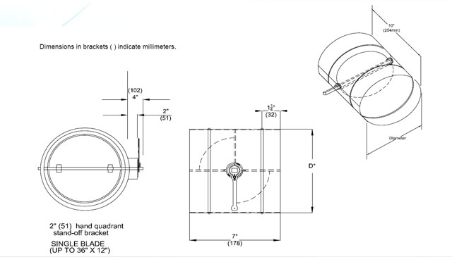
Round Control Damper
Thermal Break - ACDI 500
Face & Bypass Combination
Round Manual Balancing
Sleeve for Fire Dampers
Garbage Chute
Static
Thinline
1- BRISK-75DA
2- BRISK-75DB
Click here to view or download
2- BRISK-75DB
Click here to view or download
Click here to view or download the pan sizing chart
BRISK-FSS-100
Combination Fire/Smoke Damper BMI-V-FSS-MS-101
BRISK-SD-V100-200
HDCD3F1, HDCD3F2
HDCD31, HDCD32
HDCD92R (Round)
HDCD92-S (Round)
HDRCD300 (Round)
HDCD82R (Round)
ICD8F1, ICD8F2
ICD8F3, ICD8F4
ICD81, ICD82
Roof Curbs - Curved
Airvent Exhaust Condensate
Installation Instructions
